| Medidas principales y datos de rendimiento | ||
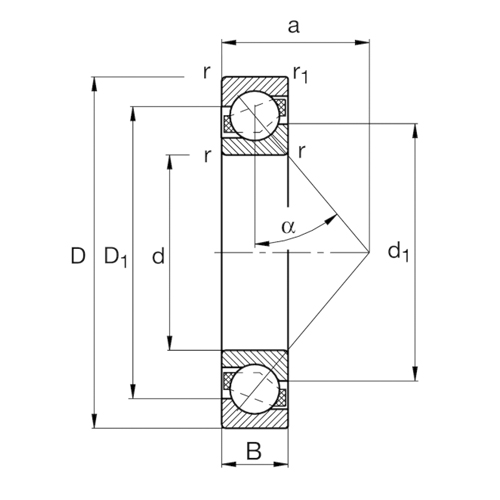
| d | 90 mm | Diámetro del agujero |
| D | 190 mm | Diámetro exterior |
| B | 43 mm | Anchura |
| C r | 171.000 N | Capacidad de carga dinámica, radial |
| C 0r | 144.000 N | Capacidad de carga estática, radial |
| C ur | 8.400 N | Límite de carga por fatiga, radial |
| n G | 6.100 1/min | Velocidad límite de rotación |
| n ðr | 3.950 1/min | Velocidad de referencia |
| 5,6 Kg | Peso | |
| Medidas de montaje | ||
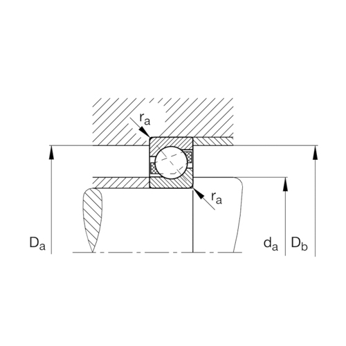
| d a min | 104 mm | Diámetro mínimo resalte del eje |
| D a max | 176 mm | Diámetro máximo del resalte del alojamiento |
| D b max | 183 mm | Diámetro máximo del resalte del alojamiento |
| r a max | 2,5 mm | Radio máximo de garganta del eje |
| r a1 max | 1 mm | Radio máximo de soporte |
| Medidas | ||
| r min | 3 mm | Medidas mínimas del chaflán |
| r 1 min | 1,1 mm | Medidas mínimas del chaflán |
| D 1 | 152,1 mm | Diámetro del resalte del anillo exterior ancho cara lateral |
| d 1 | 130,36 mm | Diámetro del resalte del anillo interior ancho cara lateral |
| a | 80 mm | Distancia entre los vértices de los conos de presión |
| α | 40° | Ángulo de contacto |
| Rango de temperatura | ||
| T min | -30 °C | Temperatura mín. de funcionamiento |
| T max | 150 °C | Temperatura máx. de funcionamiento |








Valoraciones
No hay valoraciones aún.