| Medidas principales y datos de rendimiento | ||
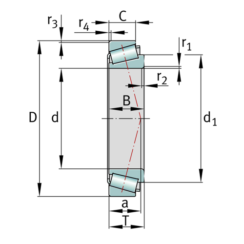
| d | 55 mm | Diámetro del agujero |
| D | 120 mm | Diámetro exterior |
| B | 29 mm | Anchura |
| C | 25 | Ancho del anillo exterior |
| T | 31,5 mm | Anchura, total |
| C r | 180.000 N | Capacidad de carga dinámica, radial |
| C 0r | 175.000 N | Capacidad de carga estática, radial |
| C ur | 27.500 N | Límite de carga por fatiga, radial |
| n G | 7.500 1/min | Velocidad límite de rotación |
| n ðr | 4.350 1/min | Velocidad de referencia |
| 1,63 kg | Peso | |
| Medidas de montaje | ||
| d a max | 71 mm | Diámetro mínimo resalte del eje |
| d b min | 65 mm | Diámetro mínimo del resalte del eje |
| D a min | 104 mm | Diámetro mínimo del resalte del alojamiento |
| D a max | 110 mm | Diámetro máximo del resalte del alojamiento |
| D b min | 111 mm | Diámetro mínimo del resalte del alojamiento |
| C a min | 4 mm | Espacio axial mínimo |
| C b min | 6,5 mm | Espacio axial mínimo |
| r a max | 2,5 mm | Radio máximo de garganta del eje |
| r b max | 2 mm | Radio máximo de garganta del soporte |
| Medidas | ||
| r1, 2 min | 2,5 mm | Medidas mínimas del chaflán de la cara posterior del anillo interior |
| r 3, 4 min | 2 mm | Medidas mínimas del chaflán de la cara posterior del anillo exterior |
| a 1 | 25 mm | Distancia entre los vértices de los conos de presión |
| d 1 | 85,4 mm | Diámetro del borde de guía del anillo interior |
| Rango de temperatura | ||
| T min | -30 °C | Temperatura mín. de funcionamiento |
| T max | 120 °C | Temperatura máx. de funcionamiento |
| Factores de cálculo | ||
| e | 0,35 | Valor límite de Fa/Fr para la aplicabilidad de dif. Valores de los factores X e Y |
| Y | 1,74 | Factor de carga axial dinámica |
| Y 0 | 0,96 | Factor de carga axial estática |
| Información adicional | ||
| T2FB055 | Referencia comparativa para ISO 10317 e ISO 355 | |
| Marca | FAG |
|---|---|
| Modelo | RODAMIENTO |
| SKU | 150011 |
Sé el primero en valorar “RODAMIENTO RODILLOS 30311-XL” Cancelar la respuesta






Valoraciones
No hay valoraciones aún.